1
/
de
5
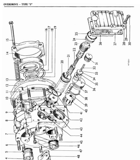
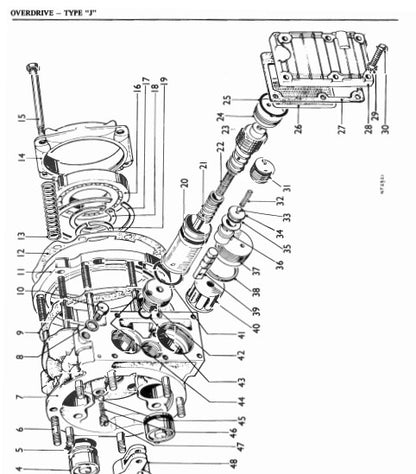
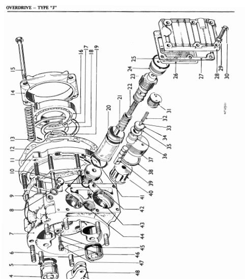
Manuel d'atelier Triumph Dolomite Sprint français
Manuel d'atelier Triumph Dolomite Sprint français
Prix habituel
€17.00 EUR
Prix habituel
Prix promotionnel
€17.00 EUR
Prix unitaire
/
par
Taxes incluses.
Impossible de charger la disponibilité du service de retrait
Manuel d'atelier Triumph Dolomite Sprint français
édition british Leyland 461 pages envoi en téléchargement immédiat
